
- رؤوس التغطية: قطعتان من محرك السيرفو
- الجهد: 220 فولت، 50/60 هرتز؛
- القوة: 3.0 كيلو وات
- ضغط الهواء: 0.5–0.7 ميجا باسكال
- الأمبير: 8.5 أمبير
- السرعة: 40-45/دقيقة (حسب الطلب وفقًا لأشكال وأحجام الجرار)
- قطر المنتج المناسب: أغطية φ28-φ125 مم (غير قياسي حسب الطلب)
- معدل نجاح الغدة: ≥99.5٪ (اعتمادًا على الغطاء وخطأ الزجاجة)
- حجم الماكينة: 3300*1150مم*1908مم
- الوزن: 450كجم
قبل تشغيل الجهاز، يرجى قراءة هذا الدليل بعناية لمعرفة الأمور المتعلقة بالسلامة والاستخدام الصحيح للجهاز. لتجنب الحوادث الشخصية وتقليل تكرار تلف الجهاز.
في حالة وجود منتجات مسببة للتآكل، احرص على تجنب ملامسة المواد المسببة للتآكل أو تناثرها على الجهاز نفسه والموظفين.
- تجنب استخدام الجهاز في الأماكن المعرضة للاهتزاز أو الاصطدام.
- عندما تعمل الماكينة، لا يمكن لجسم الطاقم أن يلمس الأجزاء المتحركة.
- يجب تجنب وضع الجهاز في أماكن شديدة الرطوبة، ويجب توصيله بمصدر الطاقة، وتوصيل سلك التأريض بشكل صحيح، لتجنب وقوع حادث أمان.
- يجب على المشغل أن يحافظ على الحالة البدنية والعقلية الطبيعية، وإذا كنت تتناول الكحول أو الحبوب المنومة أو أي أدوية أخرى تضر بحالتك العقلية، فتوقف عن تشغيل الماكينة.
- يجب على المشغل ارتداء الملابس المناسبة لتجنب الإصابة الناتجة عن دخول الملابس في الأجزاء الدوارة ويجب عدم وضع أي أشياء غريبة على الماكينة.
- إذا حدث ضوضاء أو أي خلل آخر أثناء الاستخدام، فتوقف على الفور وتحقق. بالنسبة للفنيين غير المهندسين، يرجى عدم نقل أجزاء الماكينة بشكل تعسفي.
- الصيانة والعناية المنتظمة (مرة واحدة / أسبوعيًا)، وتجنب تناثر الماء أو أي سوائل وصناديق التحكم الإلكترونية أو المكونات الكهربائية الأخرى عند تنظيف الجهاز.
- يرجى التشغيل وفقًا لإجراءات التشغيل العادية والحفاظ على سطح الماكينة نظيفًا ومرتبًا.
يتم تطبيق آلة الغطاء على جميع أنواع مستحضرات التجميل والأدوية والأدوية البيطرية والمبيدات الحشرية وزيوت التشحيم وغيرها من المجالات الصناعية في عملية التعبئة والتغليف.





مبدأ وميزات آلة تغطية البرطمانات:
- التحكم الآلي الكهربائي، وهو مستقر؛
- مع جهاز تحديد موضع الغطاء، ومعيار الغطاء المقفل، يكون التشغيل مريحًا؛
- غطاء القفل ذو نطاق واسع، يمكن تدوير مواصفات الأشكال المختلفة للغطاء؛
- يمكن لسرعة الحد الأقصى، وسجن الدوران، وفي نفس الوقت أيضًا ضبط إحكام إعادة اللف وفقًا للحاجة.


المعلمات الأساسية لآلة تغطية علب مستحضرات التجميل:

1. رؤوس التغطية: قطعتان من محرك السيرفو
2. الجهد: 220 فولت، 50/60 هرتز؛
3. الطاقة: 3.0 كيلو وات
4. ضغط الهواء: 0.5--0.7 ميجا باسكال
5. أمبير: 8.5 أمبير
6. السرعة: 40-45/دقيقة (مخصصة وفقًا لأشكال وأحجام الجرار)
7. قطر المنتج المناسب: أغطية φ28-φ125 مم (غير قياسي حسب الطلب)
8. معدل نجاح الغدة: ≥99.5٪ (اعتمادًا على خطأ الغطاء والزجاجة)
9. حجم الماكينة: 3300*1150 مم*1908 مم
10. الوزن: 450 كجم
وصف جزء المضيف


مفتاح الطاقة: التحكم في مصدر الطاقة تشغيلًا وإيقافًا.
مؤشر الطاقة: تشغيل الطاقة - الضوء الأخضر مضاء، إيقاف التشغيل - الضوء الأخضر مطفأ.
إيقاف الطوارئ: يستخدم لإيقاف الماكينة فورًا أو لإعادة ضبط الوظيفة أثناء الطوارئ أو العطل.
1. البدء الكهروضوئي: عندما تكون الآلة قيد التشغيل، عندما يكتشف الكشف الكهروضوئي وجود زجاجة وغطاء، يمكن أن تبدأ الطاولة الدوارة في العمل. إذا لم يتم اكتشاف أحد الكهروضوئيين، فلن تدور الطاولة الدوارة.
2. الأصل الكهروضوئي: يتم استخدامه للتحكم في المحرك المتدرج لتوجيه وضع القرص الدوار، بحيث يمكن إدخال الزجاجة في الغطاء بسلاسة.
3. الغطاء الكهروضوئي: تأكد من وجود الغطاء في مكانه واكتشف ضوئيًا وجود غطاء دوار للتدوير.
4. غطاء الكهروضوئية: التحكم في بدء وإيقاف آلة الغطاء العلوي، عندما يتم فرز الغطاء الذي توفره آلة الغطاء العلوي إلى الموضع الذي تم اكتشافه بواسطة الكهروضوئية، تكون الكهروضوئية ساطعة دائمًا، وتتوقف آلة الغطاء عن الغطاء، ويتم تنفيذ الغطاء الذكي.
5. قفل الغطاء الكهروضوئي: عندما تمر الزجاجة ذات الغطاء، يتم الكشف عن الكشف الكهروضوئي، ويتم تشغيل غطاء القفل وفقًا لوقت التأخير المحدد (يتم ضبط المعلمات المحددة وفقًا لسرعة الحزام الناقل عند ضبط الماكينة).
6. نظام غطاء القفل: الزجاجة ذات الغطاء هي نفسها، تأخير البدء الكهروضوئي، تأخير زجاجة مشبك الأسطوانة، يتم خفض غطاء القفل، غطاء القبضة - غطاء المسمار - تحرير المقبض - يرتفع غطاء القفل - يتم فك زجاجة المشبك، وتكتمل عملية غطاء القفل. في غطاء القفل، عندما يكون غطاء القفل 1# في غطاء القفل، تدخل زجاجة أخرى. في هذا الوقت، تتحرك أسطوانة زجاجة المشبك 2#، ويتم تنشيط غطاء القفل 2# لقفل الغطاء. (عندما يمر الغطاء الذي تم قفله بواسطة رأس القفل 2# عبر زجاجة المشبك 1#، لا تكرر غطاء القفل.

وصف واجهة الإنسان والآلة

صفحة التمهيد
3.1 تحتوي صفحة التمهيد على اختيار التشغيل باللغتين الإنجليزية والصينية، إذا اخترت الزر الصيني، فانتقل إلى الواجهة التالية:

الواجهة الثانية
قف: مفتاح بدء تشغيل الماكينة بأكملها، المس هذا المفتاح، فستعمل الماكينة في الوضع التلقائي، المس هذا المفتاح مرة أخرى، فتتوقف الماكينة عن العمل.
بوابة الاختبار: اختبار تشغيل الجهاز.
سرعة القرص الدوار: كلما زادت معلمة السرعة، كانت السرعة أسرع، وكانت معلمة السرعة أبطأ. (ولكن هناك حد أقصى).
تأخير القرص الدوار: إعدادات وقت بدء تشغيل القرص الدوار، وفقًا لتأثير التشغيل السلس للقرص الدوار الذي يجب ضبطه.
تأخير الحد الأقصى: بعد نقل القرص الدوار إلى المحطة المحددة، قم بتأخير وقت الانتظار، وقم بتغطية غطاء الأسطوانة.
وقت التغطية: الوقت اللازم لإغلاق الأسطوانة.
الإخراج: أكمل تسجيل عدد أغطية القفل، واحسب الإنتاج بشكل ملائم. اضغط على مفتاح إعادة الضبط للمسح.
X1. X3. X14: تحقق مما إذا كانت المادة الكهروضوئية في حالة عمل الانعكاس، من السهل رؤية تشغيل حالة الماكينة،
معلمة الحد الأقصى: اضغط على هذا المفتاح وأدخل الواجهة التالية:

الواجهة عبارة عن صفحة معلمات يتم ضبطها لكل إجراء لرأس القفل 1 # في نظام غطاء قفل المؤازرة، والضبط المعقول للمعلمات مفيد لاستقرار الماكينة وتحسين الكفاءة.
يعود: اضغط على هذا الزر للعودة إلى الواجهة الثانية.
الإدخال/الإخراج: اضغط على هذا الزر للدخول إلى الواجهة التالية:

نقاط سلسلة X: هي نقطة الإدخال للكشف عن ما إذا كانت المادة الكهروضوئية في حالة العمل، مما يسهل رؤية تشغيل الماكينة، وسهولة الصيانة.
نقاط سلسلة Y: هي نقطة إخراج المكونات التنفيذية للحالة الطبيعية للملاحظات، ويمكن أيضًا الضغط يدويًا على مفتاح التحكم لاختبار ما إذا كانت مكونات التنفيذ طبيعية.
نظام تغذية الغطاء: يمكن أن تكون مستقرة ومنظمة وفقًا للاتجاه الموصوف للتغطية.
ضبط الإمالة: يمكن تعديل الزاوية المعقولة للتحكم في الغطاء العكسي حتى لا يتسلق إلى الشريحة.
تنظيم محول التردد: التحكم في سرعة الغطاء.


صيانة معدات تغطية البرطمانات:
1. احرص على إبقاء الماكينة في حالة إيقاف تشغيل الطاقة وإيقاف تشغيل الغاز لضمان السلامة. احرص على إبقاء الماكينة نظيفة ومرتبة، ولا تضع عليها أي أغراض أو أشياء صغيرة أو ملحقات أو مسامير أو ما شابه.
2. ويتم إضافة زيت التشحيم بانتظام إلى آلية الجزء المتحرك لضمان حالة تشغيل جيدة للآلية.
3. قم بإخراج الماء من وحدة فلتر الهواء بانتظام وأضف زيت التشحيم لضمان الاستخدام السليم للأسطوانة وإطالة عمر الخدمة.
4. فحص وإصلاح الماكينة بشكل منتظم. قم بتقييم حالة تشغيل المعدات من خلال البصر والأذن للتأكد من أن الماكينة تعمل بشكل جيد.
ملحوظة: يرجى استخدام وصيانة الجهاز وفقًا للتعليمات بدقة، ويُحظر تمامًا فتحه وتفكيكه خلال فترة الضمان، وإلا فإن الضرر الناتج عن ذلك يعتبر ضررًا بشريًا، ولا يمكن إصلاحه مجانًا. تخضع هذه التعليمات للتغيير دون إشعار؛ إذا كان لا يزال هناك أي شك حول تشغيل هذا الجهاز، فيرجى الاتصال بنا في أي وقت للاستفسارات
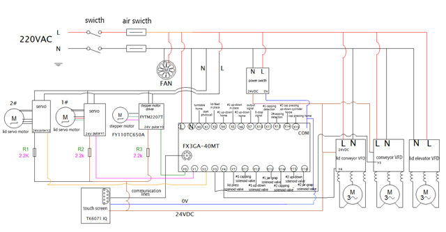
المخطط الكهربائي المرفق:

عينات أغطية البرطمانات المختومة النهائية من ماكينة تغطية البرطمانات:





العلامات: بالنسبة للبرطمانات السوداء المربعة نظرًا لأن الأغطية معرضة للخدش، فقد تم تصميمها بنظام التقاط لسحب أغطية البرطمانات من الصواني ووضعها في محطة الاستعداد للتغطية لعملية إغلاق الأغطية. يتم توضيح مبدأ العمل التفصيلي على النحو التالي: عملية العمل:
1. وضع الأغطية يدويًا في الدرج (15*15 أو 10*10)

2. وضع الصواني في محطة الاستلام الجاهزة
3. الروبوتات تلتقط الجرار

4. وضع الزجاجات وإنهاء عملية التغطية
5. إنتاج الجرار المغطاة











