
- سرعة التغطية: 15-30 قطعة/دقيقة
- الجهد المقدر: 110 فولت/60 هرتز (المعيار الأمريكي)
- قوة الماكينة: 0.8 كيلو وات
- الأمبير: 2.2 أمبير
- الأبعاد الخارجية: 2230*1460*1600 مم (الطول*العرض*الارتفاع)
- ضغط الهواء: 0.7 ميجا باسكال
- الوزن: حوالي 300 كجم
إشعار قبل بدء تشغيل ماكينة تغطية الزجاجات
1: قبل توصيل الجهاز بالكهرباء، تأكد من أن مفتاح الطاقة في حالة مغلقة، ثم اتبع التعليمات.
2: إذا لم يتم تشغيل الجهاز لفترة طويلة، فيجب مسحه بقطعة قماش جافة ويجب عدم تنظيفه بأي عامل تنظيف تآكلي.
3: يُمنع منعًا باتًا ضخ أي سائل داخل الصندوق الكهربائي للجهاز، وذلك لتجنب تآكل المكونات الكهربائية الداخلية والتسبب في حدوث ماس كهربائي.
4: التحقق وفقًا لقائمة تعبئة المعدات من نماذج ومواصفات وكميات المعدات والمواد للتأكد من أنها تلبي متطلبات معايير التصميم والمنتجات ومرفق بها شهادات المطابقة.
5: فحص مظهر المعدات للتأكد من أنها خالية من أي تشوه أو ضرر أو تآكل، ويجب أن تدور جميع المغازل بمرونة دون أي انسداد.
6: تعمل هذه الآلة تحت تيار متردد أحادي الطور 110 فولت، ويجب توصيل قابس الطاقة المسطح ثلاثي الأرجل بمقبس الطاقة باستخدام سلك أرضي.
المعايير الفنية

- سرعة التغطية: 15-30 قطعة/دقيقة
- الجهد المقدر: 110 فولت/60 هرتز (المعيار الأمريكي)
- قوة الماكينة: 0.8 كيلو وات
- الأمبير: 2.2 أمبير
- الأبعاد الخارجية: 2230*1460*1600 مم (الطول*العرض*الارتفاع)
- ضغط الهواء: 0.7 ميجا باسكال
- الوزن: حوالي 300 كجم
ماكينة التغطية بالتفصيل:



هياكل الآلة

وصف العين الكهربائية للألياف الضوئية
العين الكهربائية لكشف الزجاجات:

عندما يتم تشغيلها في الوضع التلقائي، فإن الغرض من هذه العين الكهربائية هو اكتشاف الزجاجات الواردة.
عندما يتم الكشف عن الزجاجة الواردة، يدور "القرص الدوار".
عين توصيل الغطاء الكهربائية

عند تشغيلها في الوضع التلقائي، فإن الغرض من هذه العين الكهربائية هو اكتشاف الأغطية الواردة.
عند اكتشاف الغطاء الوارد، يتم تنشيط "آلية الإخراج" لأخذ المواد.
عين توصيل الغطاء الكهربائية

عند تشغيله في الوضع التلقائي: الغرض من هذه العين الكهربائية هو اكتشاف الزجاجات الواردة.
عندما يتم اكتشاف الزجاجة الواردة، تقوم "آلية قفل الغطاء" بتدوير غطاء القفل إلى الأسفل.
زر التبديل ومنفذ الأسلاك
شاشة تعمل باللمس وإيقاف الطوارئ

وحدة تحكم في محرك التغذية ولوحة اهتزاز الغطاء

وحدة تحكم لوحة الاهتزاز

وحدة تحكم لوحة الاهتزاز: عن طريق ضبط الجهد، وضبط سرعة التفريغ.
مفتاح الطاقة والمقابس

وحدة تحكم المحرك

محول التردد: عن طريق ضبط زر محول التردد، اضبط سرعة المحرك.
طريقة الإنذار واستكشاف الأخطاء وإصلاحها:
1. تم الضغط على زر التوقف في حالات الطوارئ. اضغط على زر التوقف في حالات الطوارئ الموجود على غطاء الماكينة وبجوار شاشة اللمس.
2. يصل الإخراج إلى القيمة المحددة. اضبط الإخراج، ثم اضغط على زر المسح لمسح الإخراج الحالي.
3. في حالة عدم اكتشاف الأغطية لفترة طويلة من الوقت، يرجى التحقق. تحقق من ألياف تحريض غطاء الزجاجة للتأكد من أنها مزودة بشكل جيد. تحقق مما إذا كانت الأغطية في مكانها أم لا.
4. في حالة عدم اكتشاف الزجاجات لفترة طويلة من الوقت، يرجى التحقق من وجود الزجاجات في مكانها.
ضبط العين الكهربائية:
هيكل مكبر الصوت

مخطط للألياف الضوئية:

1. شريط قفل الألياف الضوئية
2. مؤشر حالة التشغيل
3. مجموعة
4. ضوء مؤشر DSC
5. شاشة رقمية
6. زر يدوي
7. غطاء حماية ممتد
8. موصل التوسعة
9. مفتاح اختيار الطاقة
10. زر الوضع
11. محدد الإخراج
12. الكابلات
13. واقي الغبار
14. تعيين القيمة (باللون الأخضر)
15. القيمة الحالية (باللون الأحمر)
عملية العمل لإعداد الألياف الضوئية
- عندما تسقط العين الكهربائية في الفجوة تكون قيمة التيار الأحمر 144.
- عندما تسقط العين الكهربائية على الملصق تكون قيمة التيار الأحمر 4.
- اضبط القيمة المحددة"، حوالي 1/2 من القيمة التي تكون عليها العين الكهربائية على ورقة الجسم (في الفجوة بين الكائنات التي يجب اكتشافها) والقيمة التي تكون عليها العين الكهربائية على الورقة تكون القيمة المحددة (144 4)/2=74، اضبط الزر اليدوي لضبط القيمة المحددة لتصبح 74.
- حرك فجوة الملصق ذهابًا وإيابًا في موقع العين الكهربائية و"ضوء الإشارة/مؤشر الضوء" الأحمر.
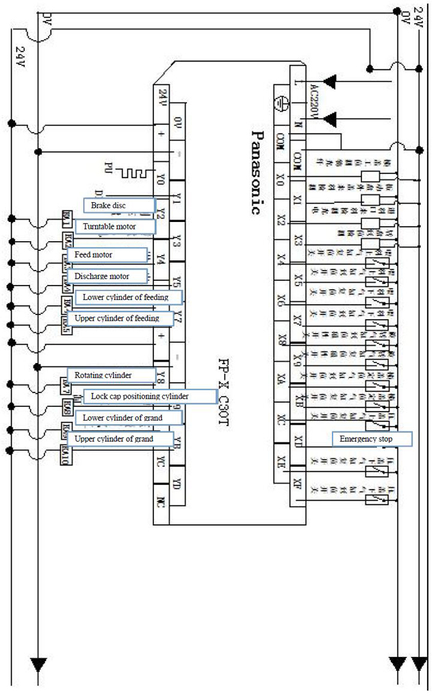
مخطط الدائرة



ماكينة سد زجاجات الصيانة

1. من الضروري فحص وصيانة الماكينة لإطالة عمر الماكينة وتحسين وظيفتها؛
- ينبغي صيانة الآلة العاملة كل ثلاثة أشهر؛
- يجب تشحيم جزء ناقل الحركة والمحمل بالشحم؛
- يجب أن يتم التزييت بشكل دوري؛
- يجب إضافة زيت مسار الشريحة (N68) إلى الجزء مثل حركة آلية التردد أو الرفع مرتين كل يوم؛
- يجب إضافة زيت السيارة (N68) إلى الأجزاء الدوارة أو المتأرجحة؛
- كل نصف شهر قم بإضافة الشحم إلى فتحة الكاميرا؛
- كل شهر مرة واحدة لفوهة الزيت عن طريق إضافة الشحم؛
2. لا تستخدم أبدًا أدوات معدنية لضرب أو كشط السطح حيث تتجمع المادة اللاصقة على الأجزاء مثل المكونات أو القالب.
3. إذا توقفت الماكينة عن العمل لفترة طويلة، أضف الشحم للتزييت في الأجزاء مثل ناقل الحركة أو جزء المحمل؛ كما يجب معالجة الماكينة بحماية مقاومة للماء.
4. لا تضع أي أشياء على الجهاز أبدًا حتى لا تتسبب في إتلافه.
5. قم بتنظيف الغبار الموجود داخل المكونات بشكل دوري، كما قم بفحص جميع البراغي وإصلاح أي برغي مفكوك.
6. تحقق من البراغي الموجودة في المحطات الخاصة بالأسلاك في وقت معين وتأكد من تثبيت المسمار؛
7. تحقق مما إذا كان هناك أي محطة فضفاضة في مسار الأسلاك الممتدة من الصناديق الكهربائية؛ إذا كان الجزء فضفاضًا للغاية، فأعد تثبيت المسمار لتجنب التآكل أو التلف في طبقة العزل مما قد يتسبب في تسرب كهربائي.
8. افحص الضمادات التي يتم ارتداؤها بسهولة وقم بتغيير الضمادات التالفة في الوقت المناسب؛









