
- ماكينة غسيل الزجاجات الزجاجية VK-BR
- ماكينة تعبئة زيت VK-PF 4 رؤوس
- آلة تغطية الفراغ VK-VC
- آلة وسم الزجاجات الدائرية VK-RPL
يمكن تخصيص خط التعبئة الأوتوماتيكي بالكامل وفقًا لمتطلبات العميل والعينات التي يقدمها المشتري. كما هو موضح أدناه، هناك معلومات أساسية حول خط التعبئة الأوتوماتيكي بالكامل لصناعة الأغذية:
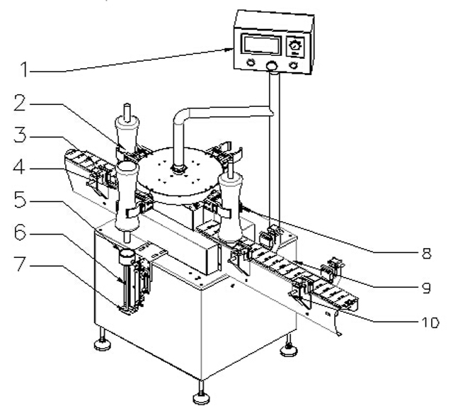
آلة غسيل الزجاجات بالهواء المضغوط ومعدات غسيل الفراغ
إنها آلة غسل زجاجات أوتوماتيكية بالهواء. تعتمد السعة على فوهات غسيل الهواء.
ينقل ضاغط الهواء الهواء داخل الحاوية المفرغة، ويتم تنقية الغاز من خلال صمام الملف اللولبي ومولد الأيونات، ثم ينفخ شامبو الغاز القصبي الغاز في زجاجات من خلال فم غسيل الغاز، ثم ينفخ الغاز الغريب من فم غسيل الغاز بواسطة ضغط الغاز، ثم يعيد الغاز العادم المستنفد من القصبة الهوائية إلى الخارج من خلال التحكم في الانبعاثات.

| 1 | لوحة التحكم | 2 | زجاجات |
| 3 | حزام لزجاجات التغذية | 4 | مستشعر لتغذية الزجاجات |
| 5 | هيكل تثبيت الزجاجات | 6 | شطف النفث |
| 7 | أنبوبة كهربائية ساكنة | 8 | نقطة تثبيت الزجاجات |
| 9 | حزام لإخراج الزجاجات | 10 | شريط الدليل |
المعلمات الأساسية لغسالة الهواء الدوارة الأوتوماتيكية للزجاجات الزجاجية:

الموديل: VK-BR
تناسب الزجاجة: 20-1000 مل
القدرة الإنتاجية: 8 فوهات تنظيف: 3600~4800 دورة في الساعة
نطاق ضغط الهواء: 6~8 كجم/سم2
استهلاك الهواء: 25م3/ساعة
مصدر الطاقة: 220 فولت 50/60 هرتز
استهلاك الطاقة: 0.75 كيلو وات
ضوضاء الجهاز الفردي: ≤70 ديسيبل
الهواء النقي: 0.2 ميكرومتر
وقت التنظيف: 3~5 ثواني
الوزن الصافي: 350كجم
الأبعاد الكلية: 1200 × 800 × 1600 مم
ماكينة تعبئة زيت 4 رؤوس تعبئة خطية

يتم التحكم في آلة تعبئة الزيتون ذات الأربعة رؤوس بواسطة الكمبيوتر الصغير، وتجمع بين الطاقة الضوئية والتشغيل الهوائي، وبالتالي يتم تطبيقها على نطاق واسع لملء السوائل للمواد الكيميائية الزراعية، والمحاليل، والمنظفات السائلة، ومستحضرات التجميل وكذلك الزيتون.
حجم التعبئة دقيق وخالٍ من الرغوة ومستقر. يمكن للآلة ملء السائل في نطاق من 25 إلى 1000 مل، وفي الوقت نفسه لا توجد متطلبات خاصة لأشكال الزجاجات. وهذا يعني أنه يمكنها ملء السائل للزجاجات العادية وكذلك الزجاجات على شكل irrugula.

الموديل: VK-PF
نطاق التعبئة: 50~3000 مل
سرعة التعبئة: <20-30b/m (لسائل 500-1000 مل)
الدقة: ±1%
الطاقة/قوة الإمداد: 0.8 كيلو وات، 220 فولت
ضغط العمل: 5~6 كجم/سم3
استهلاك الهواء: 0.5-0.7 ميجا باسكال
شمال غرب: 500 كجم
الأبعاد الخارجية: 2000×800×1900 مم
علامة: يمكن تصميم وتصنيع فوهات التعبئة وفقًا لمتطلبات العملاء فيما يتعلق بنطاق التعبئة وسرعة التعبئة
آلة تغطية العبوات الفراغية الخطية Vk-Vc معدات تغطية العبوات:
تم تطوير وبحث آلة التغطية الخطية هذه بواسطة شركتنا التي تتمتع بخبرة لسنوات عديدة، وهي فريدة من نوعها في السوق المحلية. يتم دمج ترتيب الغطاء تلقائيًا مع التغطية والتغطية بالفراغ.
تم استخدام مضخة تفريغ يدوية لتحقيق مستوى عالٍ من التفريغ. مع وظائف عدم وجود زجاجة أو غطاء، وإصدار إنذار عند عدم توفر أغطية. يتمتع بأتمتة عالية. الأجزاء الهوائية والكهربائية الرئيسية من علامات تجارية مشهورة عالميًا.
يتميز بأداء مستقر وموثوق. يستخدم على نطاق واسع في تغطية البرطمانات الزجاجية بأغطية حديدية في صناعات الأطعمة المعلبة والمشروبات والتوابل ومنتجات الرعاية الصحية وما إلى ذلك.

الطاقة: ≤2.3 كيلو وات (بما في ذلك مضخة التفريغ)
القدرة الإنتاجية: 50-60 برميل في الدقيقة
قطر الغطاء: 30-55 مم 50-85 مم
ارتفاع الزجاجة: 80-250 مم
قطر الزجاجة: 30-85 ملم
الحد الأقصى للفراغ: -0.08 ميجا باسكال
قوة الالتواء: 5-20 نيوتن متر
استهلاك الهواء: 0.6 متر مكعب/0.7 ميجا باسكال
أبعاد الماكينة: حوالي 3000×1000×1900 مم
الوزن: حوالي 850 كجم
آلة وسم الزجاجات الدائرية والبرطمانات Vk-Rpl

طلب: يشترط السطح المحيطي للغشاء المرفق بالملصق أو المنتج.
صناعة: يستخدم على نطاق واسع في الصناعات الغذائية والطبية ومستحضرات التجميل والإلكترونية والمعادن والبلاستيك وغيرها.
طلب: وضع العلامات على زجاجات PET المستديرة، ووضع العلامات على زجاجات البلاستيك، والأغذية المعلبة وما إلى ذلك.

طول الملصق المناسب (مم): 20 مم ~ 314 مم
عرض الملصق المطبق (عرض ورق الدعم / مم): 15 مم ~ 150 مم
المنتجات القابلة للتطبيق القطر (للزجاجة المستديرة) والارتفاع: القطر: φ25 مم ~ φ100 مم
الارتفاع: 25 مم ~ 230 مم
قطر اللفة القياسية القابلة للتطبيق (مم): φ280 مم
قطر اللفة القياسية القابلة للتطبيق (مم): φ76 مم
دقة الوسم (مم): ± 1 مم
السرعة القياسية (م/دقيقة): سيرفو: 5 ~ 25م/دقيقة خطوة: 5 ~ 19م/دقيقة
سرعة وضع العلامات (قطعة / دقيقة): الخطوة: 30 ~ 80 قطعة / دقيقة (مع حجم الزجاجة والملصق)
سيرفو: 40 ~ 120 قطعة/دقيقة
سرعة الناقل (م/دقيقة): 5 ~ 25م/دقيقة
الوزن (كجم): حوالي 185 كجم
التردد (هرتز): 50 هرتز الجهد (فولت): 220 فولت
الطاقة (وات): 530 واط (محرك جر) 980 واط (محرك جر)
أبعاد الجهاز (مم) (الطول × العرض × الارتفاع): 1950 مم × 1100 مم × 1300 مم


التعبئة في صندوق خشبي:

خدمة ما بعد البيع لخط التعبئة

نحن نضمن جودة الأجزاء الرئيسية خلال 12 شهرًا. إذا تعطلت الأجزاء الرئيسية دون عوامل اصطناعية خلال عام واحد، فسنقوم بتوفيرها لك مجانًا أو صيانتها. بعد عام واحد، إذا كنت بحاجة إلى تغيير الأجزاء، فسنقدم لك بكل لطف أفضل سعر أو صيانتها في موقعك. كلما كانت لديك أسئلة فنية حول استخدامها، فسنبذل قصارى جهدنا لدعمك.
ضمان الجودة :
يضمن المصنع أن البضائع مصنوعة من أفضل المواد التي ينتجها المصنع، وأن تكون من الدرجة الأولى، وأن تكون جديدة تمامًا وغير مستخدمة، وأن تتوافق في جميع النواحي مع الجودة والمواصفات والأداء المنصوص عليها في هذا العقد. تكون فترة ضمان الجودة خلال 12 شهرًا من تاريخ بوليصة الشحن.
سيقوم المصنع بإصلاح الآلات المتعاقد عليها مجانًا خلال فترة ضمان الجودة.
إذا كان العطل ناتجًا عن سوء الاستخدام أو لأسباب أخرى من قبل المشتري، فسوف تقوم الشركة المصنعة بتحصيل تكلفة قطع الغيار.
التثبيت وتصحيح الأخطاء:
سيقوم البائع بإرسال مهندسيه لإرشادك إلى عملية التثبيت وتصحيح الأخطاء. ويتحمل المشتري التكلفة (تذاكر الطيران ذهابًا وإيابًا، ورسوم الإقامة في بلد المشتري). ويتعين على المشتري تقديم المساعدة للموقع من أجل التثبيت وتصحيح الأخطاء.









