
- الموديل: VK-STL
- سرعة وضع العلامات: 40-60 أنبوبًا / دقيقة.
- دقة التسمية: ± 0.5 مم
- قطر الملصق (الحد الأقصى): 350 مم
- عرض الملصق (الحد الأقصى): 200 مم
- قطر الأنبوب (الحد الأقصى): 65 مم
- قطر الأنبوب (الحد الأدنى): 19 مم
- طول الأنبوب (الحد الأقصى): 220 مم
- قطر قلب بكرة الملصق: 76.2 مم
- الطاقة: 220 فولت 50 هرتز 3000 واط
- الوزن: 300كجم
آلة وضع العلامات هذه مناسبة بشكل أساسي لمستحضرات التجميل والتمريض الفردي مع المهنة وما إلى ذلك في الفم والأغذية وصناعة التعبئة والتغليف الكيميائية ولصق اللافتات. الدقة العالية والموثوقية الزائدة والكفاءة ترضي العميل لطلب آلة وضع العلامات؛ لكن تفوقنا يكمن في التصميم المعقول وحرفية المعالجة الرائدة والتجميع عالي الدقة وخدمة ما بعد البيع الممتازة. بساطة تشغيل هذه المعدات، تحل محل القالب والملصق المريح، وسهلة التنظيف وخدمة الصيانة، مما يجعل تكلفة الاستخدام منخفضة للمستخدم، وهي معدات مثالية لوضع العلامات.
يلصق الأنبوب عالي الفعالية محطة عمل الإشارة: عملية بسيطة، التحكم في التغذية، لصق الإشارة، لاستقبال المواد؛ بما في ذلك نقص المواد عن طريق العين الكهربائية ووظيفة التعليق التلقائي.
السرعة والدقة والاستقرار والسهولة والاستخدام وما إلى ذلك بمرونة مع درجة التركيبة المثلى.

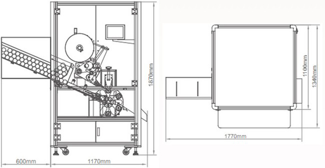
اتجاه وضع العلامات ورسم الآلة



يتم لصق العلامة على الخرطوم بتصميم خاص، وسوف تصبح لصقات الملصقات ذاتية اللصق شفافة / غير شفافة بسرعة على الأنبوب، وهي مناسبة للعديد من أنواع الأطوال المختلفة، ومعاجين الأنابيب ذات القطر المختلف للعلامة.
يعمل بشكل ثابت وموثوق: يتم ضمان تحميل كل أنبوب ناعم دون تلف، ويلصق العلامة لتكون ناعمة ودقيقة.
استخدم منظمة أسطوانة الهواء غير القطبية: نضمن أن البضائع عالية الجودة سريعة ومنظمة وموثوقة.
استخدم جهاز تحديد موضع أجهزة إزالة الترابط: لضمان أن تكون علامات لصق الأنبوب دقيقة وموثوقة ولا تحتاج إلى صيانة.
جهاز تفريغ نوع فحص الضغط الجوي: بعد ضمان لصق أنبوب العلامة بشكل موثوق.

تم ترتيب الملصقات في قادوس التغذية لوضع العلامات عليها

عملية وضع العلامات على الأنابيب اللينة
تستخدم ماكينة وضع العلامات على الأنابيب الأوتوماتيكية نظام التحكم بشاشة اللمس PLC من شركة Siemens.
نظام وسم سيرفو ميتسوبيشي الذكي
تتميز الماكينة بالاستجابة السريعة مع تحديد موضع العلامات بسرعة عالية.
سهلة التشغيل والتعديل.
صناعة من الفولاذ المقاوم للصدأ.
يدعم أحجام أنابيب مختلفة بأقراص مختلفة.
مواصفات الماكينة


| نموذج | في كيه-اس تي ال |
| سرعة وضع العلامات | 40-60 أنبوبة/دقيقة. |
| دقة الوسم | ± 0.5 مم |
| قطر الملصق (الحد الأقصى) | 350 ملم |
| عرض الملصق (الحد الأقصى) | 200 ملم |
| قطر الأنبوب (الحد الأقصى) | 65 ملم |
| قطر الأنبوب (الحد الأدنى) | 19 ملم |
| طول الأنبوب (الحد الأقصى) | 220 ملم |
| قطر قلب بكرة الملصق | 76.2 ملم |
| قوة | 220 فولت 50 هرتز 3000 واط |
| وزن | 300كجم |


عينات الملصقات




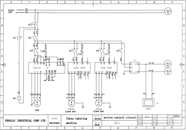
دائرة التحكم النشطة لآلة وضع العلامات الأوتوماتيكية
خدمة ما بعد البيع
يضمن: بالنسبة لجميع الآلات، تدعي الشركة أن الضمان مدته عام واحد. (لا يشمل الضمان المشكلات الناجمة عن الحوادث أو سوء الاستخدام أو سوء التطبيق أو تلف التخزين أو الإهمال أو تعديل المعدات أو مكوناتها. كما أن قطع الغيار التي يمكن كسرها بسهولة لا تشمل الضمان)
تثبيت: بعد وصول الماكينة إلى مصنعك، إذا كنت بحاجة إلى ذلك، سيذهب فنيونا إلى مكانك لتثبيت الماكينة واختبارها وتدريب العامل على تشغيل الماكينة (يعتمد وقت التدريب على العامل). يجب أن تكون النفقات (تذكرة الطيران والطعام والفندق ورسوم السفر في بلدك) على حسابك ويجب أن تدفع للفني 150 دولارًا أمريكيًا في اليوم. يمكنك أيضًا الذهاب إلى مصنعنا للتدريب.
بعد الخدمة: إذا واجهتك مشكلة في الماكينة، فسيذهب فنيونا إلى مكانك لإصلاح الماكينة في أسرع وقت ممكن. يجب أن تكون التكلفة في حسابك (كما هو موضح أعلاه).









